『油罐活瓣式液壓安全閥』專業生產廠家,由正鋼自研生產的【安全閥】質量可靠、價格合理、售后服務完善。『油罐活瓣式液壓安全閥』適用于各種輕重工業及樓宇管道。正鋼品質,全球共享!【安全閥】廣泛應用于:化工、石化、石油、造紙、采礦、電力、液化氣、食品、制藥、給排水、市政、機械設備配套、電子工業,城建等領域。
油罐活瓣式液壓安全閥用途
1、液壓式安全閥是(活瓣式)呼吸閥的安全備用設備,它的吸氣和呼氣的動作壓力略高于(活瓣式)呼吸閥,在呼吸閥一旦失靈或在冬季其活瓣凍結時,液壓安全閥的液封即被破壞從而保護油罐免遭破壞。
2、液壓安全閥裝于油罐頂部與呼吸閥配合使用。
3、控制壓力:+56毫米水柱至-50毫米水柱。
|
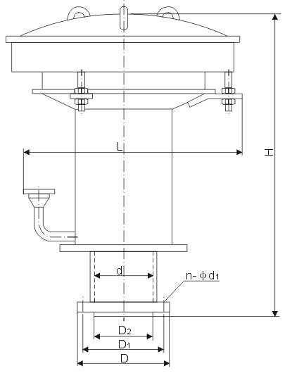
外形尺寸和連接尺寸 Dimensions (mm)

|
| Type |
Specification |
Dimensions (mm) |
Weight (kg) |
| d |
D |
D1 |
D2 |
n-d1 |
L |
H |
| GYA-80 |
80 |
85 |
185 |
150 |
125 |
4- 18 |
376 |
424 |
38 |
| GYA-100 |
100 |
105 |
205 |
170 |
145 |
4- 18 |
500 |
605 |
42 |
| GYA-150 |
150 |
148 |
260 |
225 |
200 |
8- 18 |
650 |
705 |
66 |
| GYA-200 |
200 |
210 |
315 |
280 |
255 |
8- 18 |
900 |
755 |
97 |
| GYA-250 |
250 |
264 |
370 |
335 |
310 |
12- 18 |
1,050 |
885 |
140 |
油罐活瓣式液壓安全閥產品承諾:
正鋼閥門一貫奉行誠信為企業的靈魂。本著提供高品質產品,竭誠為用戶服務的宗旨的經營原則,公司以滿足顧客需要為宗旨,愿意通過自己的努力共同促進雙方的合作,為顧客提供優質的產品和優良的服務,正鋼實行公開服務承諾。
1.正鋼所提供的產品從供貨之日起,在正常使用情況下,質保期為12-24個月,在質保期內,一律實行:保質、保量、包修、包換等。同時還提供終身免費咨詢服務。
2.用戶在運輸、裝卸、儲存、擅自拆卸產品或養護不當、自然災害等原因造成產品損壞、使用不當或在保修期外,本公司對產品實行終身技術服務,只收取配件的成本費。
3.用戶如發現產品質量問題或服務抱怨,正鋼收到用戶函電后,根據路程的遠近距離,本市城區2小時到達現場,外區域遇重大問題保證在24小時趕到現場并及時給予答復解決,確保用戶達到滿意。
4.公司承諾質保期滿后以最合理優惠價格快速地提供保養服務,并應買方要求派技術人員赴買方現場進行技術服務。
5.公司貨源充足,品種齊全,配件豐富,應急預案和措施嚴密,可以及時解決用戶臨時性的緊急需求。
6.產品使用過程中,用戶對產品質量、使用性能、改進意見或其他建設性建議等方面的反饋,正鋼會積極采納并改進,以便進一步提高產品質量,更好地回報用戶。
油罐活瓣式液壓安全閥訂貨說明:
1.產品選型:如有指定型號標準,請直播銷售熱線咨詢價格,了解詳情!
2.技術支持:如沒有指定產品型號規格,請把工況要求、設計圖紙、技術規范,發送傳真或郵件至本公司。
3.參數說明:請提供通徑(DN),公稱壓力(Mpa),溫度(℃),連接方式(螺紋、法蘭、對夾等),驅動方式。
4.驅動方式:手動、蝸輪、氣動、電動等。
5.產品標準:國標GB、日標JIS、美標ANSI、德標DIN等。
6.報價確認:本公司提供報價清單及技術標準說明至客戶確認,在雙方技術各方面確認后再擬定合同。
7.質量標準:質量要求、質量標準、供方對質量負責的條件按國家有關質量標準。