【角式氨用截止閥介紹】
J42B角式氨用截止閥簡稱(氨閥)經常要用到氧氣、氮氣、氫氣、氬氣等氣體。這些氣體一般都是貯存在專用的高壓氣體中。使用時通過氨用截止閥使氣體壓力降至實驗所需范圍,再經過其它控制閥門細調,使氣體輸入使用系統。最常用的減壓閥為氨用截止閥,簡稱氨用閥。
【角式氨用截止閥性能規范】
|
公稱壓力PN(MPA) |
試驗壓力PS(MPa) |
適用介質 |
適用溫度(℃) |
|
2.5 |
3.8 |
氨氣、 氨液等 NH3 |
巴氏合金 -40℃ +150℃ |
四氟 -40℃ +200℃ |
|
4.0 |
6.4 |
【角式氨用截止閥主要零部件材料】
|
零件名稱 |
閥體、閥蓋 |
密封圈 |
填料 |
填料壓蓋 |
閥桿 |
墊片 |
|
J42B-25 |
鑄鋼 |
巴氏合金 |
聚四氟 乙 烯 |
碳鋼 |
聚四氟 乙 烯 |
|
J42B-25P |
不銹鋼 |
不銹鋼 |
|
J42F-25 |
鑄鋼 |
聚四氟乙烯 |
碳鋼 |
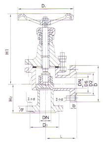
【角式氨用截止閥結構圖】


【角式氨用截止閥主要連接尺寸】
|
公稱通徑 DN(mm) |
尺 寸(mm) |
|
L |
D |
D1 |
D2 |
D6 |
b |
f |
f1 |
Z-φd |
關 |
開 |
D0 |
|
10 |
65 |
90 |
60 |
40 |
35 |
16 |
2 |
4 |
4-φ14 |
165 |
185 |
110 |
|
15 |
65 |
95 |
65 |
45 |
40 |
16 |
2 |
4 |
4-φ14 |
165 |
185 |
110 |
|
20 |
75 |
105 |
75 |
55 |
51 |
18 |
2 |
4 |
4-φ14 |
170 |
200 |
120 |
|
25 |
80 |
115 |
85 |
65 |
58 |
18 |
2 |
4 |
4-φ14 |
197 |
210 |
120 |
|
32 |
90 |
135 |
100 |
78 |
66 |
20 |
2 |
4 |
4-φ18 |
199 |
213 |
140 |
|
40 |
100 |
145 |
110 |
85 |
76 |
20 |
3 |
4 |
4-φ18 |
248 |
264 |
160 |
|
50 |
115 |
160 |
125 |
100 |
88 |
22 |
3 |
4 |
4-φ18 |
265 |
295 |
180 |
|
65 |
145 |
180 |
145 |
120 |
110 |
24 |
3 |
4 |
8-φ18 |
310 |
349 |
220 |
|
80 |
155 |
195 |
160 |
135 |
121 |
26 |
3 |
4 |
8-φ18 |
340 |
357 |
240 |
|
100 |
175 |
230 |
190 |
160 |
150 |
30 |
3 |
4.5 |
8-φ23 |
380 |
413 |
280 |
|
125 |
200 |
270 |
220 |
188 |
176 |
32 |
3 |
4.5 |
8-φ25 |
430 |
451 |
320 |
|
150 |
240 |
300 |
250 |
218 |
204 |
32 |
3 |
4.5 |
8-φ25 |
505 |
492 |
360 |
|
200 |
300 |
360 |
310 |
278 |
260 |
34 |
3 |
4.5 |
12-φ25 |
550 |
806 |
400 |
|
250 |
325 |
425 |
370 |
335 |
31 |
36 |
3 |
4.5 |
12-φ30 |
730 |
880 |
450 |
|
300 |
375 |
485 |
430 |
390 |
364 |
40 |
3 |
4.5 |
16-φ30 |
- |
995 |
550 |
【角式氨用截止閥使用方法】
(1)按使用要求的不同,氨氣減壓閥有許多規格。最高進口壓力大多為,最低進口壓力不小于出口壓力的2.5倍。出口壓力規格較多,一般為,最高出口壓力為。
(2)安裝氨氣減壓閥時應確定其連接規格是否與使用系統的接頭相一致。氨用截止閥采用半球面連接,靠旋緊螺母使二者完全吻合。因此,在使用時應保持兩個半球面的光潔,以確保良好的氣密效果。安裝前可用高壓氣體吹除灰塵。必要時也可用聚四氟乙烯等材料作墊圈。
(3)角式氨用截止閥應嚴禁接觸油脂,以免發生火警事故。
(4)停止工作時,應將減壓閥中余氣放凈,然后擰松調節螺桿以免彈性元件長久受壓變形。
(5)角式氨用截止閥應避免撞擊振動,不可與腐蝕性物質相接觸。 這些氨用截止閥的使用方法及注意事項與氨用截止閥基本相同。但是,還應該指出:專用氨氣閥門一般不用于其它氣體。為了防止誤用,有些氨氣閥與鋼瓶之間采用特殊連接口。例如氫氣和丙烷均采用左牙螺紋,也稱反向螺紋,安裝時應特別注意。
訂貨須知:
一、①角式氨用截止閥產品名稱與型號②角式氨用截止閥口徑③角式氨用截止閥是否帶附件以便我們的為您正確選型。
二、若已經由設計單位選定正鋼閥門角式氨用截止閥型號,請按高壓角式氨用截止閥型號直接向我司銷售部訂購。
三、當使用的場合非常重要或環境比較復雜時,請您盡量提供設計圖紙和詳細參數,由我們的正鋼閥門專家為您審核把關。